Memdabad Road, Ahmedabad - 382445, Gujarat. sales@suryascientific.com

Our Location

Stirrers

Stirrers

A variety of stirrer & stirrer drives are available to use glass vessels as agitated reaction equipment

  • Stirrer material of construction: Glass, Stainless Steel or PTFE Lined
  • Stirrer Design: Impeller stirrer with blades, Vortex stirrer, Propeller Stirrer & anchor Stirrer
  • Stirring Drive: Non-flameproof or Flameproof stirrer drive, 192 RPM with Variable Frequency Drive.
  • Stirring Assembly: Stirring Assembly with bellow seal or with mechanical seal.
STIRRERS

Stirrers are assembled in a vessel using a chuck, seal & a reducer. A typical arrangement of stirrer fitted in a vessel is shown in the diagram.

Size A B C D L
20 L 250 150 450 25 825
50 L 300 200 600 50 1050
100 L 300 250 700 50 1200
200 L 300 300 900 50 1450
300L 300 25 1000 50 1275
CHUCK & SEAL

This unit is suitable for use under corrosive conditions. Only glass and PTFE are exposed to process fluids. Bellow seal can be used under vacuum down to 10mm Hg absolute. Mechanical seal can be use under vacuum 1mm Hg absolute or under pressure permitted into glass vessels. Generally a reducer is require to connect the chuck and seal to top neck of the vessel

Cat.Ref. Bellow Seal Cat.Ref. Mechanical Seal Vessel DN L L1 d
CSA1* CSM1* 20 L 50 300 250 25
CSA1.5* CSM1.5* 50,100, 200 L 80 360 300 47
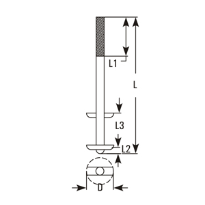
STIRRER WITH TEFLON BLADES

These stirrers are used with liquid of lowviscosity.

.
Cat.Ref. Vessel L L1 L2 L3 d D
STB10 10 600 300 15 175 25/td> 100
STB20 20 825 300 25 200 25 100
STB50* 50 1050 300 25 200 47 150
PSTB100* 100 1200 300 30 250 47175
STB200* 200 1450 300 30 325 47 200
STB300 300 1550 350 30 425 59 275
VORTEX STIRRER

These stirrers are used with liquid of lowviscosity containing small solid particles.

Cat.Ref. Vessel L L1 L2 d D
STV50 50 1050 300 50 47 95
STV100 100 1200 300 65 47 140
STV200 200 1450 300 65 47 190
PROPELLER STIRRER

These stirrers are used with liquid of highviscosity or liquid with big solid particles

Cat.Ref. Vessel L L1 L2 d D
STP50 50 1050 300 50 47 95
STP100 100 1200 300 65 47 145
STP200 200 1450 300 65 47 210
STIRRING ASSEMBLY WITH MECHANICAL SEAL

A stirrer is assembled in chuck withmechanical seal and appropriate reducer.This assembly is convenient to install on a vessel. The assembly consist of :

  • a. Glass stirrer STB/STV/STP
  • b. Chuck and mechanical seal CSM
  • c. Reducer PR
Cat.Ref. For Vessel Stirrer Used Chuck & Seal Reducer Used
STBM20 20L STB20 CSA1 PR4/2
STBM50* 50L STB50 CSA1.5 PR6/3
STBM100* 100L STB100 CSA1.5 PR9/3
STBM200 200L STB200 CSA1.5 PR12/3
STBM300 300L STB300 STB300 PR16/4
STVM50 50L STV50 CSA1.5 PR6/3
STVM100 100L STV100 CSA1.5 PR9/3
STVM200 200L STV200 CSA1.5 PR12/3
STVM300 300L STV300 CSA2 PR16/4
STPM50 50L STP50 CSA1.5 PR6/3
STPM100 100L STP100 CSA1.5 PR9/3
STPM200 200L STP200 CSA1.5 PR12/3
STPM300 300L STP300 CSA2 PR16/4
STIRRING ASSEMBLY SS PTFE LINED
Cat.Ref. For Vessel Stirrer Used Chuck & Seal Reducer Used
STBM20/P 20L SS PTFE LINED CSA1 PR4/2
STBM50/P 50L SS PTFE LINED CSA1.5 PR6/3
PR6/3 100L SS PTFE LINED CSA1.5 PR9/3
STBM200/P 200L SS PTFE LINED CSA1.5 PR12/3
STBM300/P 300L SS PTFE LINED CSA2 PR16/4
STVM50/P 50L SS PTFE LINED CSA1.5 PR6/3
STVM100/P 100L SS PTFE LINED CSA1.5 PR9/3
STVM200/P 200L SS PTFE LINED CSA1.5 CSA1.5
STVM300/P 300L SS PTFE LINED CSA2 PR16/4
STPM50/P 50L SS PTFE LINED CSA1.5 PR6/3
STPM100/P 100L SS PTFE LINED CSA1.5 PR9/3
STPM200/P 200L SS PTFE LINED CSA1.5 CSA1.5
STPM300/P 300L SS PTFE LINED CSA2 PR16/4
FLAMEPROOF STIRRER DRIVES

A 1400 RPM 3 Phase flameproof motor coupled with reduction gear is supplied along with a flexible shaft. Motor is mounted on a metal base frame, which is designed to install easily with a Glass Assembly. .

Cat.Ref. HP RPM
RPM RPM 192
FSD 1 FSD 1 192
SPEED REGULATORS

3 Phase non-flameproof regulators and Flameproof VFD Type regulator are available to control the speed of stirrer drives

Cat.Ref. Phase Type
VFD 0.5* 3 VFD
EXPLOSION PROOF STIRRER DRIVE

We also offer Ex certified motor coupled with bonfiglioli gearbox for better safety and performance.

Cat.Ref. HP RPM
FSD 0.5/ Ex 0.5 192