Memdabad Road, Ahmedabad - 382445, Gujarat. sales@suryascientific.com

Our Location

Semi Technical Packages

blog

Glass Reactor With Metal Jacket

According to the customer's requirements and standard, we manufacture jacketed glass reactor which has many functions

blog

Simple Distillation Unit

It consists of a vessel mounted in a heating bath and fitted with a condenser for condensing the vapours.

blog

Reaction Unit

This unit is used for carrying out reactions under stirred condition and with provision for simple reflux distillation

blog

Fractional Distillation Unit

This is essentially a compact batch-type fractional distillation unit in which the reboiler consists of a vessel mounted in a heating bath

blog

Reaction Distillation Unit

This is a versatile unit and can be used as Reaction Distillation Unit, Fractional Distillation Unit

blog

Liquid-Liquid Extraction Unit

Liquid extraction, sometimes called solvent extraction, is the separation of constituents of a liquid solution by contact

blog

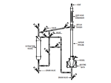
Solid-Liquid Extraction Unit

This operation involves preferential solublising of one or more soluble constituents (solutes) of a solid mixture by a liquid solvent.

blog

Assembly over GLR

Glass Lined Reactors are used instead of glass reactors specially when scale of operation is large and relatively high pressure steam

blog

Gas Scrubber

Surya offer Pilot Plant Gas Scrubber for various gases likes HCl, Cl2, SO2, Br2, HBr, NOx etc or any other corrosive gases.

blog

Multi Purpose Unit

Surya Offer multipurpose pilot plant for chemical and pharmaceutical industries for process development, scale-up,

blog

Mobile Mixing System

Glass Reactors are ideally used for wide applications in laboratory, pilot plant & for small-scale production.

blog

Lab Glass Reactor

We have a variety of vessel option to choose from our standard range. Beside the manufacturing of our Standard Vessels