Memdabad Road, Ahmedabad - 382445, Gujarat. sales@suryascientific.com

Our Location

Coupling and Gaskets

Coupling and Gaskets

A variety of stirrer & stirrer drives are available to use glass vessels as agitated reaction equipment

The couplings used with glass equipment are important from two main points of view :

1.They must ensure the effective seal of the joint.

2.They should not induce any undue stress in the glass.

3.They must be reliable in all service conditions.

In this section we have covered couplings to join glass components together as well as to join glass component with a other metal equipment.

PTFE bellows are available for normal and vacuum applications together with flanges to connect them to glass or non-glass equipment.

COMPLETE COUPLINGS

A complete coupling is a set of two backing flanges with insert and nut-bolts. complete set of f l a n g e s require to make a joint & standard one are available in Cast Iron. Also available in other MOC like Stainless Steel 304 & 316, Siliumin.

Cat.Ref. DN Flanges inserts Nuts-Bolts
Cat.Ref. Qty Cat.Ref. Qty d L Qty
CT0.5 12 CF0.5 2nos CN0.5 2nos 1/4" 50 3nos
CT0.7 15 CF0.7 2nos CN0.7 2nos 1/4" 50 3nos
CT1* 25 CF1 2nos CN1 2nos 5/16" 65 3nos
CT1.5* 40 CF1.5 2nos CN1.5 2nos 5/16" 65 3nos
CT2* 50 CF2 2nos CN2 2nos 5/16" 75 3nos
CT3* 80 CF3 2nos CN3 2nos 5/16" 75 6nos
CT4* 100 CF4 2nos CN4 2nos 5/16" 100 6nos
CT6* 150 CF6 2nos CN6 2nos 5/16" 100 6nos
CT9* 225 CF9 2nos CN9 2nos 3/8" 125 8nos
CT12* 300 CF12 2nos CN12 2nos 3/8" 150 12nos
CT16 400 CF16 2nos CN16 2nos 3/8" 150 12nos
CT18* 450 CF18 2nos CN18 2nos 1/2" 1/2" 12nos
CT24 600 CF24 2nos CN24 2nos 1/2" 150 12nos
CT32 800 CF32 2nos CN32 2nos 1/2" 150 24nos
QUICK RELEASE COUPLINGS

For easy & fast opening or closing of couplings as quick as possible without using tools, the Quick Release Coupling is an ideal solution. In case of solid charging material to reaction or addition vessels, we recommend to use our Quick Release Coupling.

Quick Release coupling are offered in cast iron & stainless steel material as per the requirement. Quick Release Coupling is available from DN 80 to DN 300 sizes.

Cat.Ref. DN PCD nxdØ
QCT3 80 133 6x9Ø
QCT4 100 178 6x9Ø
QCT6 150 254 6x9Ø
QCT9 225 310 8x11Ø
QCT12 300 395 12x11Ø
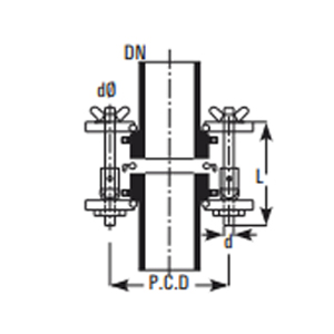
BACKING FLANGES

Backing flanges are used to couple a glass ends to a glass end or to a bellow. Backing flanges are made of cast iron and are used with Inserts.

Cat.Ref. DN D D1 D2 PCD n x dØ L L1 Type
CF0.5 12 50 25 28 38 3 x 7Ø 6 3 A
CF0.7 15 65 29 37 48 3 x 7Ø 6 3.5 A
CF1 25 92 43 51 70 3 x 9Ø 10 6 A
CF1.5 40 110 58 66 86 3 x 9Ø 10 6 A
CF2 50 120 70 81 98 3 x 9Ø 12 8 A
CF3 80 155 101 112 133 6 x 9Ø 12 8 A
CF4 100 200 134 148 178 6 x 9Ø 12 8 A
CF6 150 275 186 196 254 6 x 9Ø 15 8 A
CF9 225 350 260 282 310 8 x 11Ø 28 8 B
CF12 300 425 342 363 395 12 x 11Ø 34 8 B
CF16 400 525 467 476 495 12 x 12Ø 22 8 A
CF18 450 630 537 557 585 12 x 14Ø 37 8 B
CF24 600 755 643 690 710 12 x 14Ø 50 5 C
CF32 800 990 861 922 950 24 x 14Ø 67 5 C
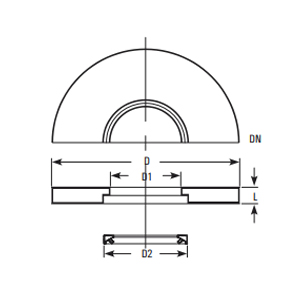
INSERTS

Split ring type inserts are used with backing flanges. These are made of Cast iron with a sbe stos l ining . In addition, insert made of suitable composite rubber material for 25 DNto 150 DNsize. New Non-Asbestos (make Champion, Klinger) insert are being introduced for 25DNto 300DN.

Cat.Ref. DN D D1 L Type
CN0.5 12 28 20 8 A
CN0.7 15 37 22 8 A
CN1 25 50 34 10 A
CN1.5 40 65 48 10 A
CN2 50 80 61 8 B
CN3 80 111 90 9 B
CN4 100 147 119 10 B
CN6 150 195 168 10 B
CN9 225 280 240 10 B
CN12 300 361 324 10 B
CN16 400 474 431 12 B
CN18 450 555 500 18 B
CN24 600 684 634 10 C
ADAPTOR BACKING FLANGES

Adaptor backing flanges are used to couple a glass end to the flange having different bolt configuration. These flanges are made of cast iron and are supplied with inserts

These are particularly used to fit a glass equipment on a non-glass equipment like Glass-lined Reactor etc

Adaptor backing flanges are generally supplied undrilled. However, if specified, these can be supplied drilled as per "Table E", "Table F" and “ASA150" standards.

Drilled to Table E
Cat.Ref. PCD n x dØ
CFA0.5/E 62 4 x 7Ø
CFA0.7/E 62 4 x 7Ø
CFA1/E 82 4 x 12Ø
CFA1.5/E 98 4 x 12Ø
CFA2/E 114 4 x 16Ø
CFA3/E 146 4 x 16Ø
CFA4/E 178 8 x 16Ø
CFA6/E 235 8 x 19Ø
CFA9/E 324 12 x 19Ø
CFA12/E 406 12 x 23Ø
Drilled to ASA 150
Cat.Ref. PCD n x dØ
CFA0.5/A 62 4 x 7Ø
CFA0.7/A 62 4 x 7Ø
CFA1/A 79 4 x 12Ø
CFA1.5/A 98 4 x 12Ø
CFA2/A 121 4 x 16Ø
CFA3/A 152 4 x 16Ø
CFA4/A 190 8 x 16Ø
CFA6/A 241 8 x 19Ø
CFA9/A 298 8 x 19Ø
CFA12/A 432 12 x 23Ø
Undrilling flanges
Cat.Ref. DN D D1 D2 L
CFA0.5 12 80 25 28 6
CFA0.7 15 85 29 37 6
CFA1 25 115 43 51 10
CFA1.5 40 150 58 66 10
CFA2 50 165 70 81 12
CFA3 80 200 101 112 12
CFA4 100 220 134 148 12
CFA6 150 285 186 196 15
CFA9 225 395 260 282 15
CFA12 300 445 342 363 18
Drilled to Table F
Cat.Ref. PCD n x dØ
CFA0.5/F 67 4 x 7Ø
CFA0.7/F 67 4 x 7Ø
CFA1/F 87 4 x 16Ø
CFA1.5/F 105 4 x 16Ø
CFA2/F 127 4 x 16Ø
CFA3/F 165 8 x 16Ø
CFA4/F 190 8 x 16Ø
CFA6/F 260 12 x 19Ø
CFA9/F 356 12 x 23Ø
CFA12/F 438 16 x 23Ø
PTFE "O" RING WITH LOCKING COLLAR

These PTFE O rings are specially made to use as gaskets in glass fittings. These are provided with a collar which helps to locate it on the glass end correctly.

Cat.Ref. DN D D1 d L
TR0.5 12 26 18 3 5
TR0.7 15 28 17 3 5
TR1* 25 42 33 3 5
TR1.5* 40 57 48 3 5
TR2* 50 70 59 3 5
TR3* 80 100 88 3 5
TR4* 100 134 119 4 6
TR6* 150 186 168 4 6
TR9* 225 260 236 4 7
TR12* 300 342 318 4 7
TR16 400 467 435 6 7
TR18* 450 527 490 6 7
TR24 600 686 640 8 10
TR32 800 910 885 10 12
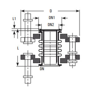
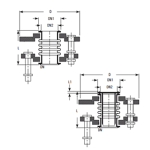
PTFE BELLOWS - GLASS TO GLASS

These bellows are used in installation of glass equipment for following purposes :

  • To provide safe branching of pipelines from the main glass equipment.
  • To accommodate odd degrees and variation in length.

Bellows are supplied along with required bellow flanges and nut-bolts

Distance - locking bolts are provided to avoid excessive compression or contraction of the bellow. Gaskets are not required where bellows are used. For drilling details, refer "Bellow flanges"

Line bellows

These can withstand a temperature of 200 C under normal atmospheric conditions.

PTFE BELLOWS
Cat.Ref. DN D D1 D2 L
FBN0.5 12 50 24 16 50
FBN0.7 15 64 28 17 55
FBN1* 25 95 41 31 65
FBN1.5* 40 105 56 43 65
FBN2* 50 120 69 55 65
FBN3* 80 155 98 82 65
FBN4* 100 200 132 111 65
FBN6* 150 275 184 162 65
FBN9* 225 350 258 230 65
FBN12 300 420 340 308 65
Vacuum bellows

For pipelines of 80DNand above operating under vacuum, the bellows are provided with an internal sleeve which supports the convolutions without affecting the flexibility of the bellow. o These bellows can withstand a temperature of 200 C under full vacuum. For size upto 50DN, line bellows can be used for these applications .

Cat.Ref. DN D D1 D2 L L1 t
VB3 80 155 98 82 70 5 3.0
VB4 100 200 132 111 70 5 3.5
VB6 150 275 184 162 70 5 4.0
VB9 225 350 253 230 70 5 5.0
VB12 300 420 338 308 70 5 5.0
PTFE BELLOWS - GLASS TO METAL

These bellows are used in installation of glass equipment for following purposes :

  • to minimize the transfer of vibrations from the rotating equipments which are connected to the glass assembly
  • to accommodate the thermal expansion of any metallic (non-glass) equipment which a r e connected to the glasspipeline.

These are similar to the bellows for glass-to-glass in construction, but having adaptor bellow flange at one end. Generally this adaptor flange is supplied undrilled so that it can be drilled as per the configuration of mating flange. However, this adaptor bellow flange can be supplied drilled AS per "Table E", "Table F" or "ASA 150" standards, if Specified.

Line bellows
Cat.Ref. Undrilled Cat.Ref. Table E Cat.Ref. Table F Cat.Ref. ASA 150 DN D L
FBF0.5 FBF0.5/E FBF0.5/F FBF0.5/A 12 80 80
FBF0.7 FBF0.7/E FBF0.7/F FBF0.7/A 15 85 55
FBF1* FBF1/E FBF1/F FBF1/A 25 115 60
FBF1.5* FBF1.5/E FBF1.5/F FBF1.5/A 40 150 65
FBF2* FBF2/E FBF2/F FBF2/A 50 165 65
FBF3* FBF3/E FBF3/F FBF3/A 80 200 65
FBF4* FBF4/E FBF4/F FBF4/A 100 220 65
FBF6* FBF6/E FBF6/F FBF6/A 150 285 65
FBF9* FBF9/E FFBF9/F FBF9/A 225 395 65
FBF12 FBF12/E FBF12/F FBF12/A 300 445 65
Vacuum bellows
Cat.Ref. Undrilled Cat.Ref. Table E Cat.Ref. Table F Cat.Ref. ASA 150 DN D L
VBF3 VBF3/E VBF3/F VBF3/A 80 200 70
VBF4 VBF4/E VBF4/F VBF4/A 100 220 70
VBF6 VBF6/E VBF6/F VBF6/A 150 285 70
VBF9 VBF9/E VBF9/F VBF9/A 225 395 70
VBF12 VBF12/E VBF12/F VBF12/A 300 445 70
BELLOW FLANGES

Bellow flanges are used to fit a bellow to a glass component. Standard Bellow are made Cast Iron. Cast Iron with Epoxy Coated, Cast Iron with PTFE coated, Aluminum, Silumin, Stainless Steel, 304 & 316 and are used in FBV, VB, FB type bellows. These are provided with otwo holes at 180 for Distance - locking bolts and are supplied with a split ring.

Cat.Ref. Undrilled DN D D1 D2 D3 L L1 L2
BF0.5 12 50 25 28 20 6 3 6
BF0.7 15 65 29 37 22 6 3 6
BF1* 25 95 43 51 33 7 3 6
BF1.5* 40 110 58 66 66 7 3 6
BF2* 50 120 70 81 57 7 3 6
BF3* 80 155 101 112 84 7 3 6
BF4* 100 200 134 148 113 8 3 6
BF6* 150 275 186 196 164 8 3 6
BF9* 225 350 260 282 234 8 3 6
BF12 300 425 342 363 310 10 5 8
Drilling details
Cat.Ref. PCD n x dØ n x d1Ø
BF0.5 38 3 x 9Ø 2 x 9Ø
BF0.7 48 3 x 9Ø 2 x 9Ø
BF1 70 3 x 9Ø 2 x 9Ø
BF1.5 86 3 x 9Ø 2 x 9Ø
BF2 98 3 x 9Ø 2 x 9Ø
BF3 133 6 x 9Ø 2 x 9Ø
BF4 178 6 x 9Ø 2 x 9Ø
BF6 254 6 x 9Ø 2 x 9Ø
BF9 310 8 x 11Ø 2 x 11Ø
BF12 395 12 x 11Ø 2 x 11Ø
ADAPTOR BELLOW FLANGES

Adaptor bellow flange are used to fit a bellow to a flangehaving different bolt configuration. These flanges are madeof cast iron and are supplied with a split ring

These are particularly used to fit a bellow with anon-glass equipment like Glass-lined Reactor etc. These areused in FBF, VBF type PTFE bellows.

Adaptor bellow flanges are generally supplied undrilled.However, if specified , these can be supplied drilled as per "Table E", "Table F" and “ASA150" standards

Undrilling flanges
Cat.Ref. DN D D1 D2 L
BFA0.5 12 80 25 28 6
BFA0.7 15 85 29 6
BFA1* 25 115 43 51 7
BFA1.5* 40 150 58 66 7
BFA2* 50 165 70 81 7
BFA3* 80 200 101 112 7
BFA4* 100 220 134 148 8
BFA6* 150 285 186 196 8
BFA9* 225 395 260 282 8
BFA12 300 445 342 363 10
Drilled to Table F
Cat.Ref. PCD n x dØ
BFA0.5/F 67 4 x 7Ø
BFA0.7/F 67 4 x 7Ø
BFA1/F 87 4 x 16Ø
BFA1.5/F 105 4 x 16Ø
BFA2/F 127 4 x 16Ø
BFA3/F 165 8 x 16Ø
BFA4/F 190 8 x 16Ø
BFA6/F 260 12 x 19Ø
BFA9/F 356 12 x 23Ø
BFA12/F 438 12 x 23Ø
Drilled to Table E
Cat.Ref. PCD n x dØ
BFA0.5/E 62 4 x 7Ø
BFA0.7/E 62 4 x 7Ø
BFA1/E 82 4 x 12Ø
BFA1.5/E 98 4 x 12Ø
BFA2/E 114 4 x 16Ø
BFA3/E 146 4 x 16Ø
BFA4/E 178 8 x 16Ø
BFA6/E 235 8 x 19Ø
BFA9/E 324 12x19Ø
BFA12/E 406 12x23Ø
Drilled to ASA 150
Cat.Ref. PCD n x dØ
BFA0.5/A 62 4 x 7Ø
BFA0.7/A 62 4 x 7Ø
BFA1/A 79 4 x 16Ø
BFA1.5/A 98 4 x 16Ø
BFA2/A 121 4 x 19Ø
BFA3/A 152 4 x 19Ø
BFA4/A 190 8 x 19Ø
BFA6/A 241 8 x 19Ø
BFA9/A 298 8 x 19Ø
BFA12/A 432 12x23Ø