In many operations like reaction, extraction & absorption, the transparency of glass is particular advantage. For such process a range of column components are available in Borosilicate glass which offers many advantages like:
- Inert to almost all chemicals hence no risk of contamination.
- Transparency allows visual monitoring of the process flow patterns, colour changes etc.
- Almost universal resistance to corrosion
- Smooth surface permits easy cleaning & prevents fouling.
COLUMN SECTIONS
Column can be constructed either by using pipesections with support plates or using column sections with packing supports.
Column sections are provided with fused shelf wherepacking support can rest.
| Cat. Ref. | DN | L | L1 | Minimum packing Size | Usual packing Size |
|---|---|---|---|---|---|
| CS3/1000 | 80 | 1000 | 75 | 9 | 12 |
| CS4/1000 | 100 | 1000 | 75 | 12 | 15 |
| CS6/1000 | 150 | 1000 | 75 | 15 | 25 |
| CS6/1500 | 150 | 1500 | 75 | 15 | 25 |
| CS9/1000 | 225 | 1000 | 100 | 20 | 25 |
| CS9/1500 | 225 | 1500 | 100 | 20 | 15 |
| CS12/1000 | 300 | 1000 | 100 | 25 | 25 |
| CS12/1500 | 300 | 1500 | 100 | 25 | 25 |
| CS16/1000 | 400 | 1000 | 150 | 25 | 25 |
| CS16/1500 | 400 | 1500 | 150 | 25 | 15 |
| CS18/1000 | 450 | 1000 | 150 | 25 | 25 |
| CS18/1500 | 450 | 1500 | 150 | 25 | 25 |
| CS24/1000 | 600 | 1000 | 200 | 40 | 40 |
COLUMN SECTIONS WITH THERMOMETER BRANCH
Above column sections can be provided with a thermometer branch below the packing shelf at 20° slope
| Cat.Ref. | DN | DN1 | L | L1 | d |
|---|---|---|---|---|---|
| CST3/1000 | 80 | 25 | 1000 | 125 | 50 |
| CST4/1000 | 100 | 25 | 1000 | 125 | 75 |
| CST6/1000 | 150 | 25 | 1000 | 125 | 125 |
| CST6/1500 | 150 | 25 | 1500 | 125 | 125 |
| CST9/1000 | 225 | 25 | 1000 | 150 | 175 |
| CST9/1500 | 225 | 25 | 1500 | 150 | 175 |
| CST12/1000 | 300 | 25 | 1000 | 150 | 250 |
| CST12/1500 | 300 | 25 | 1500 | 150 | 250 |
| CST16/1000 | 400 | 25 | 1000 | 200 | 250 |
| CST16/1500 | 400 | 25 | 1500 | 200 | 350 |
| CST18/1000 | 450 | 25 | 1000 | 200 | 400 |
| CST18/1500 | 450 | 25 | 1500 | 200 | 400 |
| CST24/1000 | 600 | 25 | 1000 | 250 | 540 |
PACKING SUPPORTS
Packing supports Type A are made of fused glass rods. Packing supports Type B (heavy duty) are made of glass plates vertically arranged and tied with PTFE tie rods
| Cat.Ref. Size | DN | L | Cross Section Area | Max. Load Kgs. | Minimum Packing | Type |
|---|---|---|---|---|---|---|
| CP3* | 80 | 10 | 45% | 10 | 12 | A |
| CP4* | 100 | 12 | 50% | 15 | 15 | A |
| CP6* | 150 | 15 | 55% | 30 | 25 | A |
| CP9* | 225 | 19 | 60% | 50 | 25 | A |
| CP12* | 300 | 19 | 65% | 75 | 25 | A |
| HD16 | 400 | 70 | 70% | 150 | 25 | B |
| HD18 | 450 | 70 | 70% | 300 | 40 | B |
| HD24 | 600 | 95 | 70% | 300 | 40 | B |
PTFE PERFORATED PLATES
These are used as packing retainers to prevent the packing from lifting due to vapour velocity. These can be clamped between two components without using any gasket.
| Cat.Ref. | DN | d | L |
|---|---|---|---|
| TCP3 | 80 | 99 | 7 |
| TCP4 | 100 | 132 | 9 |
| TCP6 | 150 | 184 | 10 |
| TCP9 | 225 | 254 | 12 |
| TCP12 | 300 | 340 | 16 |
| TCP16 | 400 | 463 | 25 |
| TCP18 | 450 | 525 | 25 |
| TCP24 | 600 | 689 | 30 |
SUPPORT PLATE ASSEMBLY
Support Plate Assembly can be coupled with apipe section (PS), so as to use the pipe section as a column section and to fill packings intoit. This system provides following advantages over the conventional system of using columnsection with a packing support.
- Higher cross section area
- More packing height.
- No separate inventory of column sections.
- Delivery period of pipe section are shorter.
This assembly consist of a glass support plate,a metal flange, a PTFE 'O' ring and nut-bolts.
| Cat.Ref. | DN | L | Cross Section Area | Max. Load Kgs. | Suitable Packing Size |
|---|---|---|---|---|---|
| LBE3* | 80 | 25 | 70% | 20 | 12 |
| LBE4* | 100 | 25 | 70% | 30 | 15 |
| LBE6* | 150 | 50 | 70% | 60 | 25 |
| LBE9* | 225 | 75 | 80% | 90 | 25 |
| LBE12* | 300 | 75 | 80% | 150 | 25 |
Packings require for various pipe sections (Kgs.)
| Pipe | Section | ||||||
|---|---|---|---|---|---|---|---|
| Vol(L) | FC | FC 12 | FC 15 | FC 25 | FCB 40 | FCB 50 | |
| PS3/1000 | 5 | 3 | 3 | 2 | - | - | - |
| PS4/1000 | 8 | - | 4 | 3 | 3 | - | - |
| PS6/1000 | 18 | - | 9 | 7 | 7 | - | - |
| PS9/1000 | 37 | - | - | 15 | 15 | 15 | - |
| PS12/1000 | 66 | - | - | 17 | 30 | 25 | - |
| PS16/1000 | 125 | - | - | - | 65 | 50 | 53 |
| PS18/1000 | 165 | - | - | - | 90 | 65 | 70 |
| PS24/1000 | 295 | - | - | - | - | 115 | 125 |
Notes of use of Column Packing
- Due to their low bulk densities, Glass Raschig rings are particularly suitable for packing glass columns
- Generally, the ratio of Column diameter to packing diameter should not be less than 8:1
- When using smaller packing size, a small layer of larger packing should be used on packing support, to prevent the smaller packing falling through.
- In vacuum application and applications involving high vapour velocities, packing may b e lifted and may damage to other parts. To prevent this, a packing retainer (PTFE p e rfo ra t e d plates) should be used above the packed section.
COLUMN PACKING-RASCHIG RINGS
Raschig rings upto 25mm are also available in Neutral glass. 20mm, 30mm, 40mm and 50mm are available in Borosilicate glass 3.3.
| Cat.Ref. | Size | Bulk Density Kg/Ltr | Specific Surface m2 /m3 | Glass |
|---|---|---|---|---|
| FC8 | 8x8 | 0.6 | 500 | Neutral |
| FC9 | 9x9 | 0.6 | 500 | Neutral |
| FC12 | 12x12 | 0.5 | 400 | Neutral |
| FC15* | 15x15 | 0.4 | 300 | Neutral |
| FC25* | 25x25 | 0.35 | 250 | Neutral |
| FCB20 | 20x20 | 0.33 | 300 | Borosilicate |
| FCB30 | 30x30 | 0.27 | 180 | Borosilicate |
| FCB40 | 40x40 | 0.22 | 160 | Borosilicate |
| FCB50 | 50x50 | 0.19 | 120 | Borosilicate |
PALL RINGS
Pall Rings are also available for column packing as per below specification
| Cat.Ref. | Size | Bulk Density Kg/Ltr | Specific Surface m2 /m3 | Glass |
|---|---|---|---|---|
| FCP30 | 30x30 | 0.38 | 234 | Borosilicate |
| FCP40 | 40x40 | 0.32 D | 187 | Borosilicate |
| FCP50 | 50x50 | 0.26 | 140 | Borosilicate |
COLUMN FEED PIPE
Feed pipe directs the process fluidto the centre of the column.
| Cat.Ref. | DN | DN1 | DN2 | L | d |
|---|---|---|---|---|---|
| FP3 | 80 | 25 | 25 | 100 | 12 |
| FP4 | 100 | 25 | 25 | 125 | 12 |
| FP6 | 150 | 40 | 25 | 150 | 19 |
| FP9 | 225 | 40 | 25 | 175 | 19 |
| FP12 | 300 | 40 | 25 | 225 | 19 |
| FP16 | 400 | 40 | 25 | 275 | 19 |
| FP18 | 450 | 40 | 25 | 300 | 19 |
| FP24 | 600 | 50 | 40 | 450 | 25 |
DN refers the nominal diameter of the column
COLUMN FEED SPARGERS
In column feed spargers, holes are provided at three sides of pipe
| Cat.Ref. | DN | DN1 | DN2 | L | Holes |
|---|---|---|---|---|---|
| SPG3 | 80 | 25 | 25 | 125 | 21x2mm |
| SPG4 | 100 | 25 | 25 | 150 | 21x2mm |
| SPG6 | 150 | 40 | 25 | 200 | 27x2mm |
| SPG9 | 225 | 40 | 25 | 275 | 27x2mm |
| SPG12 | 300 | 40 | 25 | 350 | 30x3mm |
| SPG16 | 400 | 40 | 25 | 450 | 39x3mm |
| SPG18 | 450 | 40 | 25 | 500 | 39x3mm |
| SPG24 | 600 | 50 | 40 | 650 | 60x3mm |
DN refers the nominal diameter of the column.
SPRAY FEED SECTION
Spray feed section are provided with circular tube having holes at the bottom.
| Cat.Ref. | DN | DN1 | L | L1 | Holes |
|---|---|---|---|---|---|
| FR3 | 80 | 25 | 200 | 100 | 21x2mm |
| FR4 | 100 | 25 | 250 | 125 | 21x2mm |
| FR6 | 150 | 40 | 250 | 125 | 27x2mm |
| FR9 | 225 | 40 | 250 | 125 | 27x2mm |
| FR12 | 300 | 40 | 300 | 150 | 30x3mm |
For bigger columns, Spray feed pipe withUnequal Tee should be used.
SPRAY FEED PIPES
Spray feed pipes are provided with oval tubehaving holes at the bottom. These should be usedwith unequal tees.
| Cat.Ref. | DN | DN1 | DN2 | L | L1 | Holes Size | Tee Suitable |
|---|---|---|---|---|---|---|---|
| FD6 | 150 | 80 | 25 | 225 | 125 | 27x2mm | PTU6/3 |
| FD9 | 225 | 100 | 25 | 25 | 150 | 27x2mm | PTU9/4 |
| FD12 | 300 | 150 | 25 | 400 | 200 | 30x3mm | PTU12/6 |
| FD16 | 400 | 150 | 50 | 500 | 200 | 39x3mm | PTU16/6 |
| FD18 | 450 | 150 | 50 | 550 | 200 | 39x3mm | PTU18/6 |
| FD24 | 600 | 150 | 50 | 700 | 200 | 60x3mm | PTU24/6 |
DN refers the nominal diameter of the column.
PTFE REDISTRIBUTORS
PTFE redistributors are used to prevent channeling incolumns. These can be clamped between twocomponents without using any gasket
| Cat.Ref. | DN | d | L |
|---|---|---|---|
| TL3 | 80 | 55 | 20 |
| TL4 | 100 | 80 | 20 |
| TL6 | 150 | 100 | 20 |
| TL9 | 225 | 175 | 22 |
| TL12 | 300 | 215 | 25 |
| TL16 | 400 | 315 | 25 |
| TL18 | 450 | 365 | 30 |
| L24 | 600 | 420 | 30 |
COLUMN ADAPTORS
Cat. Ref. |
DN |
DN1 |
DN2 |
L |
L1 |
L2 |
CA3/1/1 |
80 |
25 |
25 |
150 |
75 |
100 |
CA3/1.5/1 |
80 |
40 |
25 |
175 |
100 |
100 |
CA3/2/1 |
80 |
50 |
25 |
175 |
100 |
100 |
CA4/1/1 |
100 |
25 |
25 |
150 |
75 |
125 |
CA4/1.5/1 |
100 |
40 |
25 |
175 |
100 |
125 |
CA4/2/1 |
100 |
50 |
25 |
225 |
125 |
125 |
CA4/3/1 |
100 |
80 |
25 |
225 |
125 |
125 |
CA6/1/1 |
150 |
25 |
25 |
200 |
100 |
150 |
CA6/1.5/1 |
150 |
40 |
25 |
200 |
100 |
150 |
CA6/2/1 |
150 |
50 |
25 |
250 |
125 |
150 |
CA6/3/1 |
150 |
80 |
25 |
250 |
150 |
150 |
CA6/4/1 |
150 |
100 |
25 |
275 |
150 |
175 |
CA9/1.5/1.5 |
225 |
40 |
40 |
250 |
150 |
175 |
CA9/2/1.5 |
225 |
50 |
40 |
250 |
150 |
175 |
CA9/3/1.5 |
225 |
80 |
40 |
300 |
175 |
200 |
CA9/4/1.5 |
225 |
100 |
40 |
350 |
175 |
200 |
CA9/6/1.5 |
225 |
150 |
40 |
400 |
200 |
250 |
CA12/1.5/1.5 |
300 |
40 |
40 |
300 |
150 |
225 |
CA12/2/1.5 |
300 |
50 |
40 |
300 |
150 |
225 |
CA12/3/1.5 |
300 |
80 |
40 |
300 |
150 |
250 |
CA12/4/1.5 |
300 |
100 |
40 |
350 |
175 |
250 |
CA12/6/1.5 |
300 |
150 |
40 |
425 |
225 |
250 |
CA12/9/1.5 |
300 |
225 |
40 |
450 |
225 |
300 |
CA16/2/2 |
400 |
50 |
50 |
400 |
200 |
300 |
CA16/3/2 |
400 |
80 |
50 |
450 |
250 |
300 |
CA16/4/2 |
400 |
100 |
50 |
450 |
250 |
300 |
CA16/6/2 |
400 |
150 |
50 |
550 |
300 |
350 |
CA16/9/2 |
400 |
225 |
50 |
550 |
300 |
350 |
CA18/2/2 |
450 |
50 |
50 |
400 |
200 |
325 |
CA18/3/2 |
450 |
80 |
50 |
450 |
250 |
350 |
CA18/4/2 |
450 |
100 |
50 |
450 |
250 |
350 |
CA18/6/2 |
450 |
150 |
50 |
550 |
300 |
350 |
CA18/9/2 |
450 |
225 |
50 |
550 |
300 |
400 |
CA18/12/2 |
450 |
300 |
50 |
750 |
400 |
400 |
CA24/2/2 |
600 |
50 |
50 |
450 |
200 |
400 |
CA24/3/2 |
600 |
80 |
50 |
500 |
250 |
400 |
CA24/4/2 |
600 |
100 |
50 |
500 |
250 |
400 |
CA24/6/2 |
600 |
150 |
50 |
650 |
300 |
450 |
CA24/9/2 |
600 |
225 |
50 |
650 |
300 |
450 |
CA24/12/2 |
600 |
300 |
50 |
800 |
400 |
500 |
Column adaptors with DN2 of different size(maximum equaling to DN1) can be manufactured with the same dimensions.
FLAT TOP COLUMN ADAPTORS
These are generally used as headersof shell and tube heat exchangersand columns.
Cat.Ref. |
DN |
DN1 |
L |
L1 |
CA3/1 |
80 |
25 |
100 |
75 |
CA3/1.5 |
80 |
40 |
125 |
100 |
CA4/1 |
100 |
25 |
100 |
75 |
CA4/1.5 |
100 |
40 |
125 |
100 |
CA6/1 |
150 |
25 |
150 |
100 |
CA6/1.5 |
150 |
40 |
150 |
100 |
CA6/2 |
150 |
50 |
200 |
125 |
CA6/3 |
150 |
80 |
200 |
150 |
CA9/1.5 |
225 |
40 |
200 |
150 |
CA9/2 |
225 |
50 |
200 |
150 |
CA9/3 |
225 |
80 |
250 |
175 |
CA9/4 |
225 |
100 |
250 |
175 |
CA12/2 |
300 |
50 |
250 |
150 |
CA12/3 |
300 |
80 |
250 |
150 |
CA12/4 |
300 |
100 |
300 |
175 |
CA12/6 |
300 |
150 |
350 |
225 |
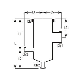
| Cat.Ref. | DN | DN1 | DN2 | L | L1 | L2 | L3 | L4 | L5 |
|---|---|---|---|---|---|---|---|---|---|
| CAM4/2/1/1 | 100 | 50 | 25 | 450 | 300 | 150 | 200 | 125 | 125 |
| CAM6/3/1/1 | 150 | 80 | 25 | 450 | 300 | 150 | 200 | 150 | 150 |
| CAM9/3/1/1 | 225 | 80 | 25 | 450 | 300 | 150 | 200 | 175 | 200 |
| CAM12/3/1/1 | 300 | 80 | 25 | 450 | 300 | 150 | 200 | 225 | 250 |
REFLUX DIVIDERS
Manually Operated
Reflux dividers are used to take off the distillatefrom the column. Usually a valve is to be fitted ondistillate outlet which controls the reflux coarsely.
| Cat.Ref. | DN | DN1 | DN2 | L | L1 | Free Corss Section Cm2 | Max. Product L/hr |
|---|---|---|---|---|---|---|---|
| RDA3* | 80 | 25 | 25 | 200 | 100 | 20 | 300 |
| RDA4* | 100 | 25 | 25 | 250 | 150 | 50 | 500 |
| RDA6* | 150 | 25 | 25 | 250 | 150 | 100 | 700 |
| RDA9* | 225 | 25 | 25 | 375 | 150 | 150 | 900 |
| RDA12* | 300 | 25 | 25 | 375 | 150 | 250 | 1100 |
| RDA16 | 400 | 40 | 40 | 500 | 200 | 350 | 1300 |
| RDA18 | 450 | 40 | 40 | 600 | 275 | 500 | 1500 |
DN2 is used for insertion of a thermometer pocket. A bellow is recommended on the distillate outlet DN1.
Magnetically Operated
These reflux dividers are to be used with a electro -magnet and a timer. These have a swinging funnel machanism which is operated magnetically from outside to remove the condensate or to return the reflux. Through this, correct control of reflux-ratio is possible. Funnel remains at 100% reflux position while magnet is inactive
| Cat.Ref. | DN | DN1 | DN2 | L | L1 | Free Corss Section Cm2 | Max. Product L/hr |
|---|---|---|---|---|---|---|---|
| RHM3 | 80 | 25 | 25 | 375 | 75 | 20 | 90 |
| RHM4 | 100 | 25 | 25 | 400 | 75 | 50 | 180 |
| RHM6 | 150 | 25 | 25 | 450 | 100 | 100 | 300 |
| RHM9 | 225 | 25 | 25 | 550 | 100 | 150 | 500 |
| RHM12 | 300 | 25 | 25 | 700 | 100 | 250 | 650 |
| RHM16 | 400 | 40 | 40 | 800 | 150 | 350 | 1000 |
| RHM18 | 450 | 40 | 40 | 900 | 150 | 500 | 1300 |
DN2 is used for insertion of a Thermometer Pocket. A liquid seal is recommended on the distillate outlet ofthis reflux divider to prevent the vapour passing directly to the receiver.
PNEUMATIC REFLUX DIVIDER
| Cat.Ref. | DN | DN1 | DN2 | L |
|---|---|---|---|---|
| RPH3 | 80 | 25 | 25 | 250 |
| RPH4 | 100 | 25 | 25 | 250 |
| RPH6 | 150 | 40 | 25 | 250 |
| RPH9 | 225 | 40 | 50 | 375 |
| RPH12 | 300 | 40 | 50 | 375 |
THERMOMETER POCKETS FOR REFLUX DIVIDER
These thermometer pockets are tobe used with reflux dividers orcolumn sections. DN refers to thenominal diameter of the Refluxdivider or Column.
| Cat.Ref. | DN | DN1 | d | L |
|---|---|---|---|---|
| TP3* | 80 | 25 | 12 | 75 |
| TP4* | 100 | 25 | 12 | 100 |
| TP6* | 150 | 25 | 12 | 125 |
| TP9* | 225 | 25 | 12 | 150 |
| TP12* | 300 | 25 | 12 | 200 |
| TP16 | 400 | 40 | 19 | 250 |
| TP18 | 450 | 40 | 19 | 300 |
LIQUID SEALS
Liquid seals are to be fitted onthe distillate outlet ofmagnetically operated reflux divider. This prevent the passing of vapourdirectly to the receiver
| Cat.Ref. | DN | DN1 | L | Type |
|---|---|---|---|---|
| LS1* | 25 | 25 | 200 | A |
| LS1.5 | 40 | 25 | 300 | A |
| LSV1 | 25 | - | 200 | B |
COLUMN SECTION WITH INBUILT
PACKING SUPPORT
Surya introduce single piece column section with inbuilt packing supportr
Advantages of this column against conventional column section:
- Ease in installation being a single piece instead of two pieces
- There is no need to maintain stock of CS and packing support
- Increases effective packed height which results in to increase in efficiency.
- Zero maintenance against column flooding.
| Cat.Ref. | DN | D | d | L | Max Load Kgs | Suitable Packing Size |
|---|---|---|---|---|---|---|
| CSP3/1000 | 80 | 10 | 10 | 1000 | 20 | 12 |
| CSP4/1000* | 100 | 10 | 14 | 1000 | 30 | 15 |
| CS6P/1000* | 150 | 12 | 22 | 1000 | 60 | 25 |
| CSP9P/1000* | 225 | 12 | 22 | 1000 | 90 | 25 |
| CSP12/1000* | 300 | 12 | 22 | 1000 | 150 | 25 |
DIGITAL TEMPERATURE INDICATOR
These are generally used as headersof shell and tube heat exchangersand columns.
This instrument is mainly used to monitor the temperature of liquid in a glass vessel in a typical Glass Distillation Unit.
The instrument consists of a Temperature indicator and a Resistance Temperature Detectors (RTD). The instrument works on 230V, 50Hz power supply. This displays the temperature in degree Centigrades in three and half digits of 12.5mm character height.
| Cat.Ref. | Vessel size | RTD Length |
|---|---|---|
| DTI20 | 20 | 400 |
| DTI50 | 50 | 500 |
| DTI100 | 100 | 600 |
| DTI200 | 200 | 700 |
ELECTRO-MAGNETS
Electro - magnets are used to operate Magnetically operated Reflux dividers. When 'On ' t h e magnet attracts the swinging funnel of the reflux divider so that distillate can be taken off.
Electro-magnets are to be mounted outside the glass column, just near to the reflux divider, with the help of adjustable fittings. These are designed to use with Timers to maintain correct ratio between 'Off' and 'On' timings of its activation
Electro-magnets work on 220V DC power supply, for which a output socket is provided in the Timers.
| Cat.Ref. | Type |
|---|---|
| RPM | Non-flameproof |
| RPF | Flameproof |
TIMERS
Timers are designed to use with Electro- magnets to provide a correct ratio of refluxand distillate when operating a Magnetically operated reflux divider.
Timers work on a power supply of 230V, 50Hz.
| Cat.Ref. | Type |
|---|---|
| QRT | Flameproof |